Product Summary
The FDC6561AN is an N-Channel Logic Level MOSFET. It is produced using Fairchild Semiconductor’s advanced PowerTrench process that has been especially tailored to minimize the on-state resistance and yet maintain low gate charge for superior switching performance. The FDC6561AN is well suited for all applications where small size is desireable but especially low cost DC/DC conversion in battery powered systems.
Parametrics
FDC6561AN absolute maximum ratings: (1)VDSS Drain-Source Voltage: 30 V; (2)VGSS Gate-Source Voltage - Continuous: ±20 V; (3)ID Drain Current: 2.5 A; (4)PD Maximum Power Dissipation: 0.96 W; (5)TJ,TSTG Operating and Storage Temperature Range: -55 to 150℃.
Features
FDC6561AN features: (1)2.5 A, 30 V. RDS(ON)= 0.095Ω @ VGS = 10 V; RDS(ON)= 0.145Ω @ VGS = 4.5 V; (2)Very fast switching; (3)Low gate charge (2.1nC typical); (4)SuperSOTTM-6 package: small footprint (72% smaller than standard SO-8); low profile (1mm thick).
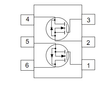
Diagrams

| Image | Part No | Mfg | Description | ![]() |
Pricing (USD) |
Quantity | ||||||||||||
|---|---|---|---|---|---|---|---|---|---|---|---|---|---|---|---|---|---|---|
![]() |
![]() FDC6561AN |
![]() Fairchild Semiconductor |
![]() MOSFET SSOT-6 N-CH 30V |
![]() Data Sheet |
![]()
|
|
||||||||||||
![]() |
![]() FDC6561AN_Q |
![]() Fairchild Semiconductor |
![]() MOSFET N-Channel 30V |
![]() Data Sheet |
![]() Negotiable |
|
||||||||||||
(China (Mainland))










