Product Summary
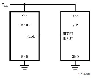
The LM810M3X-2.63 microprocessor supervisory circuit can be used to monitor the power supplies in microprocessor and digital systems. It provides a reset to the microprocessor during power-up, power-down and brown-out conditions. The function of the LM810M3X-2.63 is to monitor the VCC supply voltage, and assert a reset signal whenever this voltage declines below the factory-programmed reset threshold. The reset signal remains asserted for 240ms after VCC rises above the threshold. The LM810M3X-2.63 has an active-low RESET output. Seven standard reset voltage options are available, suitable for monitoring 5V, 3.3V, and 3V supply voltages. With a low supply current of only 15μA, the LM810M3X-2.63 is ideal for use in portable equipment. The LM810M3X-2.63 is available in the 3-pin SOT23 package and in the 6-Lead LLP package.
Parametrics
LM810M3X-2.63 absolute maximum ratings: (1)VCC: -0.3V to 6.0V; (2)RESET, RESET: -0.3V to (VCC+ 0.3V); (3)Input Current, VCC Pin: 20mA; (4)Output Current, RESET, RESET, Pin: 20mA; (5)Rate of Rise, VCC: 100V/μs; (6)ESD Rating (Note 2): 2kV; (7)Continuous Power Dissipation: 320mW; (8)Ambient Temperature Range: -40℃ to +105℃; (9)Maximum Junction Temperature: 125℃; (10)Storage Temperature Range: -65℃ to +160℃; (11)Lead Temperature (soldering, 10sec): +300℃.
Features
LM810M3X-2.63 features: (1)Precise monitoring of 3V, 3.3V, and 5V supply voltages; (2)Superior upgrade to MAX809/810; (3)Fully specified over temperature; (4)140ms min. Power-OReset pulse width, 240ms typical, Active-low RESET Output; (5)Guaranteed RESET Output valid for VCC≥1V; (6)Low Supply Current, 15μA typ.; (7)Power supply transient immunity.
Diagrams

| Image | Part No | Mfg | Description | ![]() |
Pricing (USD) |
Quantity | ||||||||||||
|---|---|---|---|---|---|---|---|---|---|---|---|---|---|---|---|---|---|---|
![]() |
![]() LM810M3X-2.63 |
![]() |
![]() IC CIRCUIT RESET MICRO SOT23-3 |
![]() Data Sheet |
![]() Negotiable |
|
||||||||||||
| Image | Part No | Mfg | Description | ![]() |
Pricing (USD) |
Quantity | ||||||||||||
![]() |
![]() LM81 |
![]() Other |
![]() |
![]() Data Sheet |
![]() Negotiable |
|
||||||||||||
![]() |
![]() LM810 |
![]() Other |
![]() |
![]() Data Sheet |
![]() Negotiable |
|
||||||||||||
![]() |
![]() LM810M3-2.63 |
![]() |
![]() IC MICRO RESET CIRC SOT23-3 |
![]() Data Sheet |
![]() Negotiable |
|
||||||||||||
![]() |
![]() LM810M3-2.63/NOPB |
![]() |
![]() IC MICRO RESET CIRCUIT SOT23-3 |
![]() Data Sheet |
![]() Negotiable |
|
||||||||||||
![]() |
![]() LM810M3-2.93 |
![]() National Semiconductor (VA) |
![]() IC MICRO RESET CIRC SOT-23 |
![]() Data Sheet |
![]()
|
|
||||||||||||
![]() |
![]() LM810M3-2.93/NOPB |
![]() |
![]() IC MICRO RESET CIRC SOT23-3 |
![]() Data Sheet |
![]() Negotiable |
|
||||||||||||
(China (Mainland))











