Product Summary
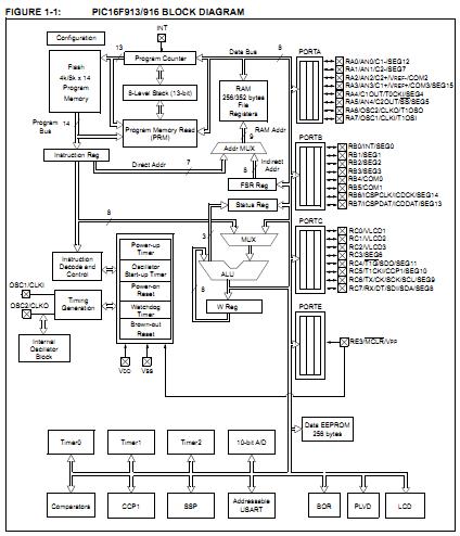
The PIC16F913-I/SS is a 28-Pin Flash-Based, 8-Bit CMOS Microcontroller with LCD Driver and nanoWatt Technology.
Parametrics
PIC16F913-I/SS absolute maximum ratings: (1)Ambient temperature under bias: -40 to +125℃; (2)Storage temperature: -65 to +150℃; (3)Voltage on VDD with respect to VSS: -0.3V to +6.5V; (4)Voltage on MCLR with respect to Vss: -0.3V to +13.5V; (5)Voltage on all other pins with respect to VSS: -0.3V to (VDD + 0.3V); (6)Total power dissipation: 800 mW; (7)Maximum current out of VSS pin: 300 mA; (8)Maximum current into VDD pin: 250 mA; (9)Input clamp current, IIK (VI < 0 or VI > VDD): ±20 mA; (10)Output clamp current, IOK (Vo < 0 or Vo >VDD): ±20 mA; (11)Maximum output current sunk by any I/O pin: 25 mA; (12)Maximum output current sourced by any I/O pin: 25 mA; (13)Maximum current sourced by all ports (combined): 200 mA; (14)Maximum current sunk by by all ports (combined): 200 mA.
Features
PIC16F913-I/SS features: (1)Factory calibrated to ±1%; (2)Software selectable frequency range of 8 MHz to 32 kHz; (3)Software tunable; (4)Two-Speed Start-up mode; (5)Crystal fail detect for critical applications; (6)Clock mode switching during operation for power savings; (7)Power-saving Sleep mode; (8)Wide operating voltage range (2.0V-5.5V); (9)Industrial and Extended temperature range; (10)Power-on Reset (POR); (11)Power-up Timer (PWRT) and Oscillator Start-up Timer (OST); (12)Brown-out Reset (BOR) with software control option; (13)Enhanced Low-Current Watchdog Timer (WDT) with on-chip oscillator (software selectable nominal 268 seconds with full prescaler) with software enable; (14)Multiplexed Master Clear with pull-up/input pin; (15)Programmable code protection; (16)100,000 write Flash endurance; (17)1,000,000 write EEPROM endurance; (18)Flash/Data EEPROM retention: > 40 years.
Diagrams

| Image | Part No | Mfg | Description | ![]() |
Pricing (USD) |
Quantity | ||||||||||||
|---|---|---|---|---|---|---|---|---|---|---|---|---|---|---|---|---|---|---|
![]() |
![]() PIC16F913-I/SS |
![]() Microchip Technology |
![]() 8-bit Microcontrollers (MCU) 7KB FL 352R 25 I/O |
![]() Data Sheet |
![]()
|
|
||||||||||||
| Image | Part No | Mfg | Description | ![]() |
Pricing (USD) |
Quantity | ||||||||||||
![]() |
![]() PIC1018SCL |
![]() Other |
![]() |
![]() Data Sheet |
![]() Negotiable |
|
||||||||||||
![]() |
![]() PIC10F200 |
![]() Other |
![]() |
![]() Data Sheet |
![]() Negotiable |
|
||||||||||||
![]() |
![]() PIC10F200-E/MC |
![]() Microchip Technology |
![]() 8-bit Microcontrollers (MCU) 384B Flash16B RAM 4 I/O |
![]() Data Sheet |
![]()
|
|
||||||||||||
![]() |
![]() PIC10F200-E/OT |
![]() Other |
![]() |
![]() Data Sheet |
![]() Negotiable |
|
||||||||||||
![]() |
![]() PIC10F200-E/P |
![]() Microchip Technology |
![]() 8-bit Microcontrollers (MCU) U 579-PIC10F200-I/P |
![]() Data Sheet |
![]() Negotiable |
|
||||||||||||
![]() |
![]() PIC10F200-I/MC |
![]() Microchip Technology |
![]() 8-bit Microcontrollers (MCU) 0.375KB Fl 16B RAM |
![]() Data Sheet |
![]()
|
|
||||||||||||
(China (Mainland))










