Product Summary
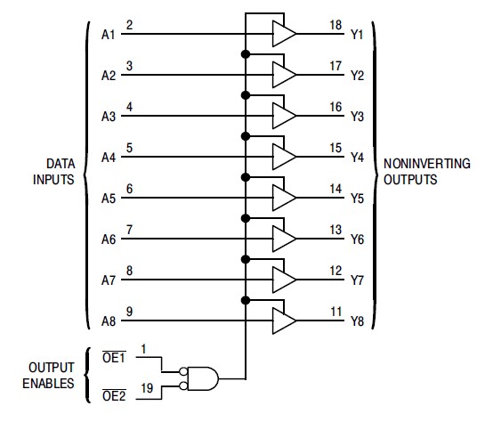
The MC74VHC1GT66DFT1 is an advanced high speed CMOS octal bus buffer fabricated with silicon gate CMOS technology. It achieves high speed operation similar to equivalent Bipolar Schottky TTL while maintaining CMOS low power dissipation. The MC74VHC1GT66DFT1 is a noninverting type. When either OE1 or OE2 are high, the terminal outputs are in the high impedance state. The MC74VHC1GT66DFT1 is composed of three stages, including a buffer output which provides high noise immunity and stable output. The inputs tolerate voltages up to 7.0 V, allowing the interface of 5.0 V systems to 3.0 V systems.
Parametrics
MC74VHC1GT66DFT1 absolute maximum ratings: (1)DC supply voltage: -0.5 to 7V; (2)DC input voltage: -0.5 to 7V; (3)DC output voltage: -0.5 to VCC+0.5V; (4)Input Diode current: -20mA; (5)output Diode current: ±20mA; (6)DC output current,oer pin: ±25mA; (7)Power dissipation: 450mW; (8)Storage temperature: -65 to 150℃.
Features
MC74VHC1GT66DFT1 features: (1)High Speed: tPD = 3.7ns (Typ) at VCC = 5.0 V; (2)Low Power Dissipation: ICC = 4 uA (Max) at TA = 25℃; (3)High Noise Immunity: VNIH = VNIL = 28% VCC; (4)Power Down Protection Provided on Inputs; (5)Balanced Propagation Delays; (6)Designed for 2.0 V to 5.5 V Operating Range; (7)Low Noise: VOLP = 1.2 V (Max); (8)Pin and Function Compatible with Other Standard Logic Families; (9)Latchup Performance Exceeds 300mA; (10)ESD Performance: HBM>2000 V; Machine Model>200 V; (11)Chip Complexity: 134 FETs or 33.5 Equivalent Gates; (12)Pb-Free Packages are Available.
Diagrams

| Image | Part No | Mfg | Description | ![]() |
Pricing (USD) |
Quantity | ||||||||
|---|---|---|---|---|---|---|---|---|---|---|---|---|---|---|
![]() |
![]() MC74VHC1GT66DFT1 |
![]() ON Semiconductor |
![]() Analog Switch ICs 2-5.5V Hi Speed ANLG |
![]() Data Sheet |
![]() Negotiable |
|
||||||||
| Image | Part No | Mfg | Description | ![]() |
Pricing (USD) |
Quantity | ||||||||
![]() |
![]() MC74 |
![]() Other |
![]() |
![]() Data Sheet |
![]() Negotiable |
|
||||||||
![]() |
![]() MC740-430E |
![]() Other |
![]() |
![]() Data Sheet |
![]() Negotiable |
|
||||||||
![]() |
![]() MC7410TVU400LE |
![]() Freescale Semiconductor |
![]() Microprocessors (MPU) REV 1.4,-40C PB FREE SPH |
![]() Data Sheet |
![]()
|
|
||||||||
![]() |
![]() MC7410VU400LE |
![]() Freescale Semiconductor |
![]() Microprocessors (MPU) REV 1.4 105C PB FREE |
![]() Data Sheet |
![]()
|
|
||||||||
![]() |
![]() MC7410VU450NE |
![]() Freescale Semiconductor |
![]() Microprocessors (MPU) NITRO RV 1.4 ROHS |
![]() Data Sheet |
![]() Negotiable |
|
||||||||
![]() |
![]() MC7410VU400NE |
![]() Freescale Semiconductor |
![]() Microprocessors (MPU) NITRO RV 1.4 ROHS |
![]() Data Sheet |
![]() Negotiable |
|
||||||||
(China (Mainland))










