Product Summary
The PIC18F14K50T-I/SS is a 20-Pin USB Flash Microcontroller with nanoWatt XLP Technology.
Parametrics
PIC18F14K50T-I/SS absolute maximum ratings: (1)Ambient temperature under bias: -40 to +125℃; (2)Storage temperature: -65 to +150℃; (3)Voltage on VDD with respect to VSS: -0.3V to +6.0V; (4)Voltage on MCLR with respect to Vss: -0.3V to +9.0V; (5)Voltage on VUSB pin with respect to VSS: -0.3V to +4.0V; (6)Voltage on D+ and D- pins with respect to VSS: -0.3V to (VUSB + 0.3V); (7)Voltage on all other pins with respect to VSS: -0.3V to (VDD + 0.3V); (8)Total power dissipation: 800 mW; (9)Maximum current out of VSS pin: 95 mA; (10)Maximum current into VDD pin: 95 mA; (11)Clamp current, IK (VPIN < 0 or VPIN > VDD): 20 mA; (12)Maximum output current sunk by any I/O pin: 25 mA; (13)Maximum output current sourced by any I/O pin: 25 mA; (14)Maximum current sunk by all ports: 90 mA; (15)Maximum current sourced by all ports: 90 mA.
Features
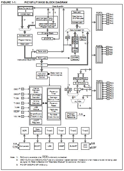
PIC18F14K50T-I/SS features: (1)USB V2.0 Compliant SIE; (2)Full Speed (12 Mb/s) and Low Speed (1.5 Mb/s); (3)Supports Control, Interrupt, Isochronous and Bulk Transfers; (4)Supports up to 16 Endpoints (8 bidirectional); (5)256-byte Dual Access RAM for USB; (6)Input-change interrupt on D+/D- for detecting physical connection to USB host; (7)Self-programmable under Software Control; (8)Programmable Brown-out Reset (BOR); (9)With software enable option; (10)Extended Watchdog Timer (WDT); (11)Programmable period from 4ms to 131s; (12)Single-supply 3V In-Circuit Serial Programming (ICSP) via two pins; (13)CPU divider to run the core slower than the USB peripheral; (14)16 MHz Internal Oscillator Block: Software selectable frequencies, 31 kHz to 16 MHz; (15)Provides a complete range of clock speeds from 31 kHz to 32 MHz when used with PLL; (16)User tunable to compensate for frequency drift; (17)Four Crystal modes, up to 48 MHz; (18)External Clock modes, up to 48 MHz; (19)4X Phase Lock Loop (PLL); (20)Secondary oscillator using Timer1 at 32 kHz; (21)Fail-Safe Clock Monitor: Allows for safe shutdown if primary or secondary oscillator stops; (22)Two-speed Oscillator Start-up.
Diagrams

| Image | Part No | Mfg | Description | ![]() |
Pricing (USD) |
Quantity | ||||||||||||
|---|---|---|---|---|---|---|---|---|---|---|---|---|---|---|---|---|---|---|
![]() |
![]() PIC18F14K50T-I/SS |
![]() Microchip Technology |
![]() 8-bit Microcontrollers (MCU) 16KB Flash 768 RAM15 I/O 10-B ADC USB 2.0 |
![]() Data Sheet |
![]()
|
|
||||||||||||
| Image | Part No | Mfg | Description | ![]() |
Pricing (USD) |
Quantity | ||||||||||||
![]() |
![]() PIC1018SCL |
![]() Other |
![]() |
![]() Data Sheet |
![]() Negotiable |
|
||||||||||||
![]() |
![]() PIC10F200 |
![]() Other |
![]() |
![]() Data Sheet |
![]() Negotiable |
|
||||||||||||
![]() |
![]() PIC10F200-E/MC |
![]() Microchip Technology |
![]() 8-bit Microcontrollers (MCU) 384B Flash16B RAM 4 I/O |
![]() Data Sheet |
![]()
|
|
||||||||||||
![]() |
![]() PIC10F200-E/OT |
![]() Other |
![]() |
![]() Data Sheet |
![]() Negotiable |
|
||||||||||||
![]() |
![]() PIC10F200-E/P |
![]() Microchip Technology |
![]() 8-bit Microcontrollers (MCU) U 579-PIC10F200-I/P |
![]() Data Sheet |
![]() Negotiable |
|
||||||||||||
![]() |
![]() PIC10F200-I/MC |
![]() Microchip Technology |
![]() 8-bit Microcontrollers (MCU) 0.375KB Fl 16B RAM |
![]() Data Sheet |
![]()
|
|
||||||||||||
(China (Mainland))










