Product Summary
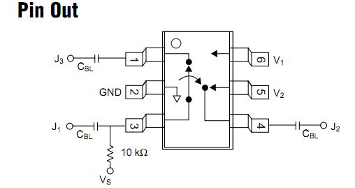
The AS125-73 is a GaAs IC FET SPDT reflective switch in the SOT-6 plastic package for commercial applications. For positive operation it requires a fixed positive bias (VS) on the J1 line and DC blocks on all RF lines. This switch can also be operated with complementary negative voltage (no VS or blocking caps required).The AS125-73 provides a low cost solution for IF switching requirements in dual-band and dual mode subscribers.
Parametrics
AS125-73 absolute maximum ratings: (1)RF Input Power: 2 W > 500 MHz 0/+7 V Control; (2)Control Voltage: -0.2 V, +8 V; (3)Operating Temperature: -40 to +125℃; (4)Storage Temperature: -50 to +150℃; (5)θJC: 25℃/W.
Features
AS125-73 features: (1)Low Insertion Loss (0.4 dB @ 0.9 GHz); (2)Complementary Positive Control Voltages (0/+3 V to 0/+5 V); (3)Positive Voltage Supply (+3 to +5 V); (4)Low DC Power Consumption; (5)Ultra Miniature 6 Lead SOT-6 Package.
Diagrams

![]() |
![]() AS125R0BLF |
![]() IRC |
![]() Wirewound Resistors - Through Hole 25 OHM .1% 1W |
![]() Data Sheet |
![]()
|
|
||||||||||||
![]() |
![]() AS12AH-RO |
![]() NKK Switches |
![]() Slide Switches SPDT ON-ON .098" BKT |
![]() Data Sheet |
![]()
|
|
||||||||||||
![]() |
![]() AS12AW |
![]() NKK Switches |
![]() Slide Switches SPDT ON-ON .098 ACTR EXTENDED PC .4VA |
![]() Data Sheet |
![]()
|
|
||||||||||||
![]() |
![]() AS12CP |
![]() NKK Switches |
![]() Slide Switches SPDT ON-ON .150" STRAIGHT |
![]() Data Sheet |
![]()
|
|
||||||||||||
![]() |
![]() AS12CH-RO |
![]() NKK Switches |
![]() Slide Switches SPDT ON-ON .150' |
![]() Data Sheet |
![]()
|
|
||||||||||||
![]() |
![]() AS12CV/A-RO |
![]() NKK Switches |
![]() Slide Switches ON-ON .15 BLK ACTUTR VERTICAL PC .4VA |
![]() Data Sheet |
![]()
|
|
||||||||||||
(China (Mainland))













