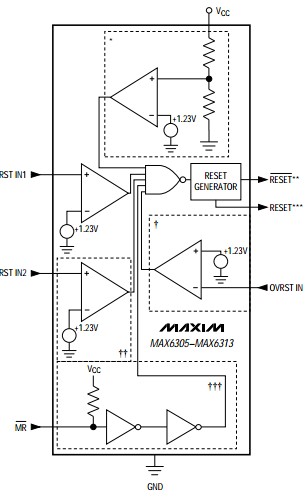
Product Summary
The MAX6312UK45D2+T is a CMOS microprocessor (μP) supervisory circuit. It is designed to monitor more than one power supply. The applications of the MAX6312UK45D2+T are Portable Computers, Computers, Controllers, Intelligent Instruments, Portable/Battery-Powered Equipment, Multivoltage Systems, Embedded Control Systems.
Parametrics
MAX6312UK45D2+T absolute maximum ratings: (1)VCC: -0.3V to +6V; (2)All Other Pins: -0.3V to (VCC + 0.3V); (3)Input/Output Current, All Pins: 20mA; (4)Rate of Rise, VCC: 100V/μs; (5)Continuous Power Dissipation (TA = +70°C): 571mW; (6)Operating Temperature Range: 0°C to +70°C; (7)Storage Temperature Range: -65°C to +160°C; (8)Lead Temperature (soldering, 10sec): +300°C.
Features
MAX6312UK45D2+T features: (1)Small 5-Pin SOT23 Package; (2)Precision Factory-Set VCC Reset Thresholds; Available in 0.1V Increments from 2.5V to 5V; (3)Immune to Short VCC Transients; (4)Guaranteed RESET Valid to VCC = 1V; (5)Guaranteed Over Temperature; (6)8μA Supply Current; (7)Factory-Set Reset Timeout Delay from 1ms (min)to 1120ms (min); (8)No External Components; (9)Manual Reset Input; (10)Under/Overvoltage Supply Monitoring.
Diagrams

(China (Mainland))






