Product Summary
The PIC16F76-I/SO is a 28/40-pin, 8-bit CMOS FLASH Microcontroller. It is available only in 28-pin packages.
Parametrics
PIC16F76-I/SO absolute maximum ratings: (1)Ambient temperature under bias: -55℃ to +125℃; (2)Storage temperature: -65℃ to +150℃; (3)Voltage on any pin with respect to VSS (except VDD and MCLR): -0.3V to (VDD + 0.3V); (4)Voltage on VDD with respect to VSS: -0.3 to +6.5V; (5)Voltage on MCLR with respect to VSS: 0 to +13.5V; (6)Total power dissipation: 1W; (7)Maximum current out of VSS pin: 300 mA; (8)Maximum current into VDD pin: 250 mA; (9)Input clamp current, IIK (VI < 0 or VI > VDD): ±20 mA; (10)Output clamp current, IOK (VO < 0 or VO > VDD): ±20 mA; (11)Maximum output current sunk by any I/O pin: 25 mA; (12)Maximum output current sourced by any I/O pin: 25 mA; (13)Maximum current sunk by PORTA: 200 mA; (14)Maximum current sourced by PORTA: 200 mA; (15)Maximum current sunk by PORTB: 200 mA; (16)Maximum current sourced by PORTB: 200 mA.
Features
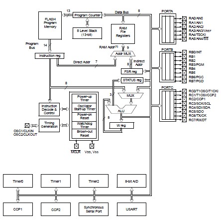
PIC16F76-I/SO features: (1)High performance RISC CPU; (2)Only 35 single word instructions to learn; (3)All single cycle instructions except for program branches which are two-cycle; (4)Operating speed: DC - 20 MHz clock input; DC - 200 ns instruction cycle; (5)Up to 8K × 14 words of FLASH Program Memory, Up to 368 × 8 bytes of Data Memory (RAM); (6)Pinout compatible to the PIC16F873/874/876/877; (7)Interrupt capability (up to 12 sources); (8)Eight level deep hardware stack; (9)Direct, Indirect and Relative Addressing modes; (10)Processor read access to program memory.
Diagrams

| Image | Part No | Mfg | Description | ![]() |
Pricing (USD) |
Quantity | ||||||||||||
|---|---|---|---|---|---|---|---|---|---|---|---|---|---|---|---|---|---|---|
![]() |
![]() PIC16F76-I/SO |
![]() Microchip Technology |
![]() 8-bit Microcontrollers (MCU) 14KB 368 RAM 22 I/O |
![]() Data Sheet |
![]()
|
|
||||||||||||
![]() |
![]() PIC16F76-I/SOG |
![]() Microchip Technology |
![]() 8-bit Microcontrollers (MCU) 14KB 368 RAM 22 I/O |
![]() Data Sheet |
![]() Negotiable |
|
||||||||||||
(China (Mainland))









