Product Summary
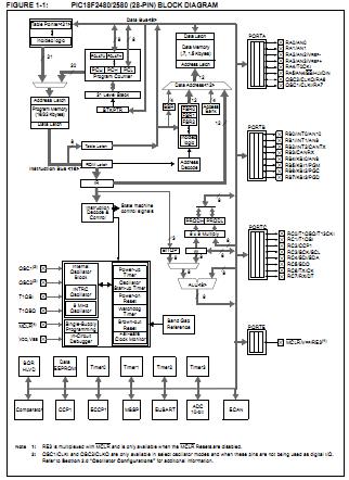
The PIC18F2580-I/SO is a 28-Pin Enhanced Flash Microcontroller with ECAN Technology, 10-Bit A/D and nanoWatt Technology.
Parametrics
PIC18F2580-I/SO absolute maximum ratings: (1)Ambient temperature under bias: -40 to +125℃; (2)Storage temperature: -65 to +150℃; (3)Voltage on any pin with respect to VSS (except VDD and MCLR): -0.3V to (VDD + 0.3V); (4)Voltage on VDD with respect to VSS: -0.3V to +7.5V; (5)Voltage on MCLR with respect to VSS: 0V to +13.25V; (6)Voltage on RA4 with respect to VSS: 0V to +8.5V; (7)Total power dissipation: 1.0W; (8)Maximum current out of VSS pin: 300 mA; (9)Maximum current into VDD pin: 250 mA; (10)Input clamp current, IIK (VI < 0 or VI > VDD): ±20 mA; (11)Output clamp current, IOK (VO < 0 or VO > VDD): ±20 mA; (12)Maximum output current sunk by any I/O pin: 25 mA; (13)Maximum output current sourced by any I/O pin: 25 mA; (14)Maximum current sunk by all ports: 200mA; (15)Maximum current sourced by all ports: 200 mA.
Features
PIC18F2580-I/SO features: (1)Four Crystal modes, up to 40 MHz; (2)4X Phase Lock Loop (PLL) – available for crystal and internal oscillators); (3)Two External RC modes, up to 4 MHz; (4)Two External Clock modes, up to 40 MHz; (5)Internal oscillator block: 8 user selectable frequencies, from 31 kHz to 8 MHz; Provides a complete range of clock speeds, from 31 kHz to 32 MHz when used with PLL; User tunable to compensate for frequency drift; (6)Secondary oscillator using Timer1 @ 32 kHz; (7)Fail-Safe Clock Monitor: Allows for safe shutdown if peripheral clock stops; (8)C compiler optimized architecture with optional extended instruction set; (9)100,000 erase/write cycle Enhanced Flash program memory typical; (10)1,000,000 erase/write cycle Data EEPROM memory typical; (11)Flash/Data EEPROM Retention: > 40 years; (12)Self-programmable under software control; (13)Priority levels for interrupts; (14)8 x 8 Single Cycle Hardware Multiplier; (15)Extended Watchdog Timer (WDT): Programmable period from 41 ms to 131s; (16)Single-Supply 5V In-Circuit Serial Programming (ICSP) via two pins; (17)In-Circuit Debug (ICD) via two pins; (18)Wide operating voltage range: 2.0V to 5.5V.
Diagrams

| Image | Part No | Mfg | Description | ![]() |
Pricing (USD) |
Quantity | ||||||||||||
|---|---|---|---|---|---|---|---|---|---|---|---|---|---|---|---|---|---|---|
![]() |
![]() PIC18F2580-I/SO |
![]() Microchip Technology |
![]() 8-bit Microcontrollers (MCU) 32 KB FL 1536 RAM 25 I/O |
![]() Data Sheet |
![]()
|
|
||||||||||||
| Image | Part No | Mfg | Description | ![]() |
Pricing (USD) |
Quantity | ||||||||||||
![]() |
![]() PIC1018SCL |
![]() Other |
![]() |
![]() Data Sheet |
![]() Negotiable |
|
||||||||||||
![]() |
![]() PIC10F200 |
![]() Other |
![]() |
![]() Data Sheet |
![]() Negotiable |
|
||||||||||||
![]() |
![]() PIC10F200-E/MC |
![]() Microchip Technology |
![]() 8-bit Microcontrollers (MCU) 384B Flash16B RAM 4 I/O |
![]() Data Sheet |
![]()
|
|
||||||||||||
![]() |
![]() PIC10F200-E/OT |
![]() Other |
![]() |
![]() Data Sheet |
![]() Negotiable |
|
||||||||||||
![]() |
![]() PIC10F200-E/P |
![]() Microchip Technology |
![]() 8-bit Microcontrollers (MCU) U 579-PIC10F200-I/P |
![]() Data Sheet |
![]() Negotiable |
|
||||||||||||
![]() |
![]() PIC10F200-I/MC |
![]() Microchip Technology |
![]() 8-bit Microcontrollers (MCU) 0.375KB Fl 16B RAM |
![]() Data Sheet |
![]()
|
|
||||||||||||
(China (Mainland))










