Product Summary
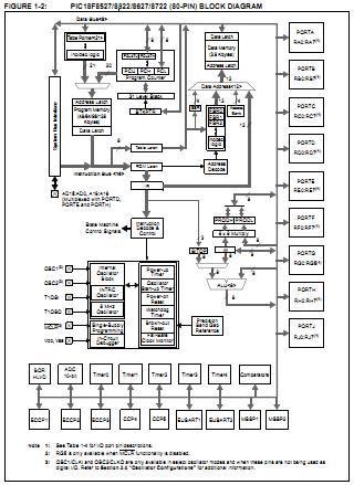
The PIC18LF8722-I/PT is a 80-Pin, 1-Mbit, Enhanced Flash Microcontroller with 10-bit A/D and nanoWatt Technology.
Parametrics
PIC18LF8722-I/PT absolute maximum ratings: (1)Ambient temperature under bias: -40 to +125℃; (2)Storage temperature: -65 to +150℃; (3)Voltage on any pin with respect to VSS (except VDD and MCLR): -0.3V to (VDD + 0.3V); (4)Voltage on VDD with respect to VSS: -0.3V to +7.5V; (5)Voltage on MCLR with respect to VSS: 0V to +13.25V; (6)Total power dissipation: 1.0W; (7)Maximum current out of VSS pin: 300 mA; (8)Maximum current into VDD pin: 250 mA; (9)Input clamp current, IIK (VI < 0 or VI > VDD): ±20 mA; (10)Output clamp current, IOK (VO < 0 or VO > VDD): ±20 mA; (11)Maximum output current sunk by any I/O pin: 25 mA; (12)Maximum output current sourced by any I/O pin: 25 mA; (13)Maximum current sunk by all ports: 200mA; (14)Maximum current sourced by all ports: 200 mA.
Features
PIC18LF8722-I/PT features: (1)C compiler optimized architecture: Optional extended instruction set designed to optimize re-entrant code; (2)100,000 erase/write cycle Enhanced Flash program memory typical; (3)1,000,000 erase/write cycle Data EEPROM memory typical; (4)Flash/Data EEPROM Retention: 100 years typical; (5)Self-programmable under software control; (6)Priority levels for interrupts; (7)8 x 8 Single-Cycle Hardware Multiplier; (8)Extended Watchdog Timer (WDT): Programmable period from 4 ms to 131s; (9)Single-Supply In-Circuit Serial Programming (ICSP) via two pins; (10)In-Circuit Debug (ICD) via two pins; (11)Wide operating voltage range: 2.0V to 5.5V; (12)Fail-Safe Clock Monitor; (13)Two-Speed Oscillator Start-up; (14)nanoWatt Technology.
Diagrams

| Image | Part No | Mfg | Description | ![]() |
Pricing (USD) |
Quantity | ||||||||||||
|---|---|---|---|---|---|---|---|---|---|---|---|---|---|---|---|---|---|---|
![]() |
![]() PIC18LF8722-I/PT |
![]() Microchip Technology |
![]() 8-bit Microcontrollers (MCU) 128 KB FL 4K RAM 70 I/O |
![]() Data Sheet |
![]()
|
|
||||||||||||
| Image | Part No | Mfg | Description | ![]() |
Pricing (USD) |
Quantity | ||||||||||||
![]() |
![]() PIC1018SCL |
![]() Other |
![]() |
![]() Data Sheet |
![]() Negotiable |
|
||||||||||||
![]() |
![]() PIC10F200 |
![]() Other |
![]() |
![]() Data Sheet |
![]() Negotiable |
|
||||||||||||
![]() |
![]() PIC10F200-E/MC |
![]() Microchip Technology |
![]() 8-bit Microcontrollers (MCU) 384B Flash16B RAM 4 I/O |
![]() Data Sheet |
![]()
|
|
||||||||||||
![]() |
![]() PIC10F200-E/OT |
![]() Other |
![]() |
![]() Data Sheet |
![]() Negotiable |
|
||||||||||||
![]() |
![]() PIC10F200-E/P |
![]() Microchip Technology |
![]() 8-bit Microcontrollers (MCU) U 579-PIC10F200-I/P |
![]() Data Sheet |
![]() Negotiable |
|
||||||||||||
![]() |
![]() PIC10F200-I/MC |
![]() Microchip Technology |
![]() 8-bit Microcontrollers (MCU) 0.375KB Fl 16B RAM |
![]() Data Sheet |
![]()
|
|
||||||||||||
(China (Mainland))










