Product Summary
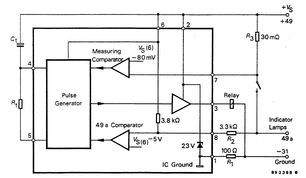
The U243B is a warning or car-direction indicator. It adopts the technology of bipolar. Its package is 8 pin dual-inline plastic. It is suitable for flshing generator, istable multivibrator, etc.
Parametrics
Absolute maximum ratings: (1)Supply voltage Pins 2 and 6, VS: 16.5 V; (2)Surge forward current: tp = 0.1 ms Pins 2 and 6, IFSM: 1.5 A; tp = 2 ms Pins 2 and 6, IFSM: 1.0 A; tp = 2 ms Pin 8, IFSM: 50 mA; (3)Output current Pin 3, Io: 0.3 A; (4)Junction temperature, Tj: 150 ℃; (5)Ambient temperature range, Tamb: –40 to +95 ℃; (6)Storage temperature range, Tstg: –55 to +125 ℃.
Features
Features: (1)Can be protected against damage or interference with a minimum of external circuitry; (2)Temperature- and voltage-compensated frequency; (3)Warning indication of lamp failure by means of frequency doubling; (4)Voltage dependence of the car indicator lamps also compensated for lamp failure; (5)Relay output with high-current carrying capacity and low saturation voltage.
Diagrams

| Image | Part No | Mfg | Description | ![]() |
Pricing (USD) |
Quantity | ||||||||||||
|---|---|---|---|---|---|---|---|---|---|---|---|---|---|---|---|---|---|---|
![]() |
![]() U243B |
![]() Other |
![]() |
![]() Data Sheet |
![]() Negotiable |
|
||||||||||||
| Image | Part No | Mfg | Description | ![]() |
Pricing (USD) |
Quantity | ||||||||||||
![]() |
![]() U2436 |
![]() Apem |
![]() Switch Hardware PushButton Cap Red |
![]() Data Sheet |
![]()
|
|
||||||||||||
![]() |
![]() U243B |
![]() Other |
![]() |
![]() Data Sheet |
![]() Negotiable |
|
||||||||||||
![]() |
![]() U2432 |
![]() Apem |
![]() Switch Hardware PushButton Cap Black |
![]() Data Sheet |
![]()
|
|
||||||||||||
(China (Mainland))









